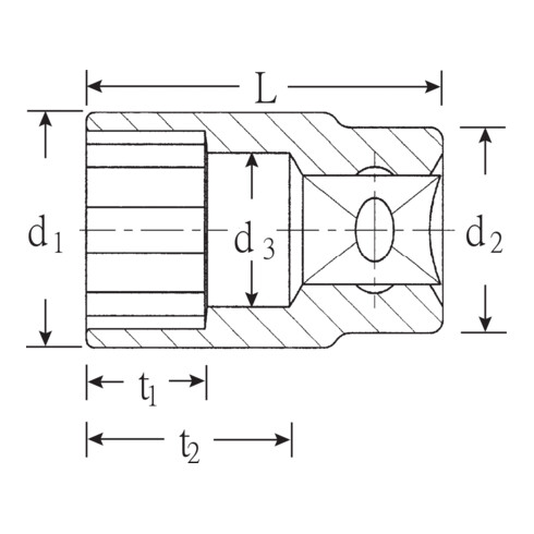
Caratteristiche:
Forgiate in acciaio di grande qualità, svasate internamente per una rapida presa sulle teste delle viti. Quadri femmina con tolleranze ridotte per una presa sicura sull’utensile di manovra. Quadri femmina secondo DIN 3120. Venature ottimali ottenute con un processo di forgiatura speciale. Aperture a tolleranze strette. Non scivolano sui bordi delle viti, perciò le teste di viti e dadi non vengono danneggiate. Rese prive di tensione e indeformabili con tempra in olio, quindi grande precisione dimensionale. Superfici arrotondate. Profilo AS-drive.
Caratteristiche:
Acciaio HPQ ad alte prestazioni, esecuzione in acciaio NiCr.
EAN/GTIN: 4018754007998