KS Tools Disco di misura dell'angolo di rotazione 3/4", artiglio

65,99 €
IVA inclusa

Trasmissione

Tempi di consegna: 3-4 settimane.


Produttore e informazioni

Articolo n.: 58675871
Produttore n. : 516.1198
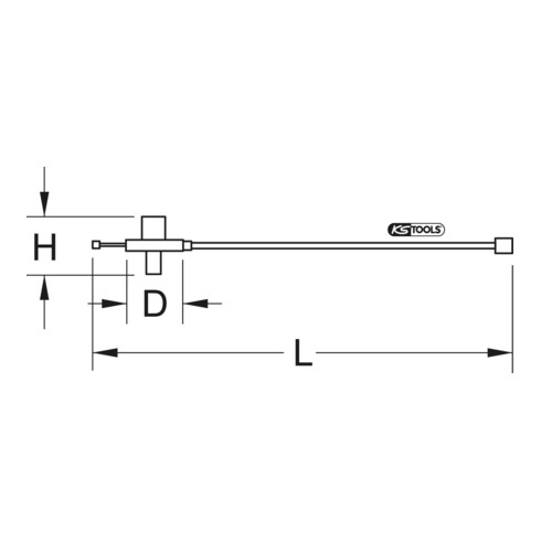
  • per il serraggio controllato dell'angolo di rotazione
  • per l'utilizzo di una chiave dinamometrica
  • braccio flessibile
  • gamma 0° - 360
  • Trasmissione quadrata secondo DIN 3120 - ISO 1174 con dispositivo di bloccaggio a sfera
  • a scelta con braccio magnetico o braccio ad artiglio

Descrizione del prodotto

Caratteristiche tecniche